Gas turbo kiln WISTRA for high temperature

Gas turbo kiln WISTRA for high temperature
Location:Isola Vicentina, Italy
Description
Art. 1520 N° 01 Gas turbo kiln WISTRA for high temperature
- Second hand machine
- Manufacturing year: 1988
- Useful loading capacity: 3 m3
- Manufacturer: WISTRA
- Max exercise temperature °C: 1800
- Insulation internal lining: refractory bricks
- N° burners: 6 ( + 2 for post combustor )
- N° cars: 2 on rail ( N° 1 inside + N° 1 in stand-by )
- Car overall dimension: 3200 x 2150 x h 1100 mm
- Car useful loading dimension: 2 pack on the same a car of 1000 x
1500 x h 1000 mm
- Overall dimension of the complete installation area: 10 x 22 m approx.
- Overall dimension of the kiln main structure ( installed kiln ):
6300 x 5000 x h 6500 mm approx.( with kiln totally lift up )
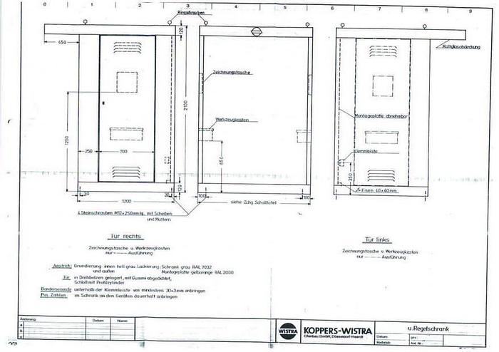
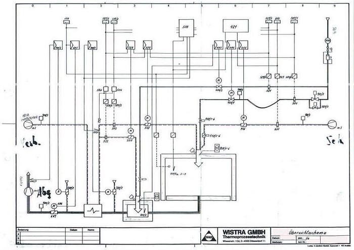
- Complete with manuals , wiring diagrams and foundation drawings
N.B. At the moment the kiln has been dismantled and transferred to a cover warehouse and is ready to be loaded. The operation of dismantling and transfer to the new location has been done under supervision of WISTRA qualified engineers.
Specifications
| Manufacturer | WISTRA | 
| Condition | Used | 
| Stock Number | 1520 | 



















